
型號含義 Model implication
適用范圍 Application
1、適用于1區、2區危險場所。
2、適用于ⅡA、ⅡB、ⅡC類爆炸性氣體環境。
3、可配裝白熾燈、汞燈。
注:要求ⅡC類時請注明。
1、Can be used in Zone1and2dangerous places.
2、Can be usedⅡA、ⅡB 、ⅡC group explosive atmosphere.
3、Suitable ofr incandesent lamp, mercury vapor lamp.
Notice:Please note if needⅡC group.
產品特點 Features
1、鑄鋁合金外殼,表面噴塑。
2、應急專用燈中正常照明燈和應急照明燈各自獨立,適合安裝條件許可的場所;照明應急兩用燈,正常照明和應急照明共用一個燈體,光源獨立。
3、內裝免維護鎳鎘電池組,在正常供電下自動充電,事故斷電或停電時應急燈自動點亮。
4、鋼管或電纜布線均可。
5、可根據用戶要求設置試驗按鈕和指示燈。
6、符合GB3836-2000,IEC60079標準要求。
1、Diecasted aluminium alloy shell with plasticsprayed surface.
2、Normal lamp and emergency lamp of the division type are respectively suitable to the appropriate sites, but the dual-purpose for lighting and emergency type body, moreover light source is independent.
3、Under the normal power-supplying condition, inner Nickel-Cadmium battery can recharge automatically, so that the emergency lamp will turn on automatically when the power ose because of accident or power failure,
4、Suitable for both steelpipe and cable wiring.
5、It can be equipped with test button and indicator according to user's requirement.
6、Suitable for GB3836-2000, IEC60079 standard request.
主要技術參數 Main technical parameters
配用光源 Supplied with lamps
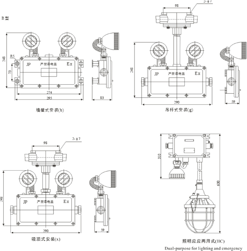
外形及安裝舉例 Outline and mounting example
照明應急兩用式(IIB)Dual-purpose for lighting and emergency
訂貨須知 Ordering references
1、用戶在選型時按防爆照明應急兩用燈的型號名稱、光源、功率及安裝方式。例:需配用光源為自鎮汞燈125W、吊桿式安裝,則型號為:DCJ52-Z125gA。
1、When purchasing, please refer to the model, name, illuminant, power and installation way of explosion-proof dual-purpose lamp for light and emergency. If a pendant type product with Self-ballasted mercury vapor lamp of 125W, its model shall be DCJ52-Z125gA.



